
- 198 pages
- English
- ePUB (mobile friendly)
- Available on iOS & Android
eBook - ePub
Microgrid Technology and Engineering Application
About this book
This book is based on the authors' research and microgrid projects since 2009, and is the most up-to-date resource on the development of microgrid technologies. In addition to basic facility and network design concepts, it covers related subjects including power supply programming and energy optimization, which means it can serve as a single volume reference to the complete microgrid system implementation.
- Provides a systematic introduction to the basic concepts, key technologies, and practical design methods of microgrids
- Covers the theoretical design and implementation of microgrid facilities, including practical operational issues, monitoring and control. The balance of theoretical and applied content will be of real value to engineers who are specifying and design systems in regions with limited experience of microgrid systems
- Includes real-life examples and projects to help implement the content effectively
Tools to learn more effectively

Saving Books

Keyword Search

Annotating Text

Listen to it instead
Information
Chapter 1
Overview of microgrid
Abstract
Overview of the microgrid, describes the history, current status, and trends of microgrids.
Keywords
microgrid
DG
history
current status
prospect
A microgrid is a single, controllable, independent power system comprising distributed generation (DG), load, energy storage (ES), and control devices, in which DG and ES are directly connected to the user side in parallel. For the macrogrid, the microgrid can be deemed as a controlled cell; and for the user side, the microgrid can meet its unique demands, for example, less feeder loss and higher local reliability. Being capable of autonomous control, protection, and management, a microgrid can operate either in parallel with the main grid or in an intentional islanded mode.
A microgrid can be considered as a small electric power system that incorporates generation, transmission, and distribution, and can achieve power balance and optimal energy allocation over a given area, or as a virtual power source or load in the distribution network. Also, it can consist of one or more virtual power plants (VPPs) to meet the demand of a load center, which can be important offices, factories, or remote residences where the traditional way of electricity supply is expensive. Compared with traditional transmission and distribution (T&D) networks, a microgrid has a much more flexible structure.
1.1. History
In 2001, Professor R.H. Lasseter of the University of Wisconsin-Madison proposed the concept of the âmicrogrid.â Later, the Consortium for Electric Reliability Technology Solutions (CERTS) and the European Commission Project Micro-Grid also gave their definitions of a microgrid.
In 2002, the National Technical University of Athens (NTUA) built a small laboratory microgrid project known as the NTUA Power System Laboratory Facility for tests on the control of distributed resource (DR) and load with multiagent technology.
In 2003, the University of Wisconsin established a small laboratory microgrid (NREL Laboratory Microgrid) with a capacity of 80 kVA, for tests on the control of various types of DRs in different operation modes; another 480 V laboratory microgrid was established in the Walnut test site, Columbus, Ohio, for tests on the dynamic characteristics of various components of a microgrid.
In the same year, multiple demonstration projects were built across the world, including the 7.2 kV microgrid in Mad River Park, Vermont, USA; the 400 V microgrid in Kythnos Islands, Greece; as well as the Aichi, Kyotango, and Hachinohe projects in Japan.
In 2004, the CESI RICERCA test facility was built in Milan, Italy, which can be restructured into different topologies for steady-state and transient-operation tests and power quality analysis.
In 2005, the Imperial College London control and power research center was set up in London, UK, for distribution network prototype tests and load tests.
Over the same period, multiple demonstration projects were successively built all over the world, including Japanâs Sendai system (2004), Shimizu Microgrid (2005), and Tokyo Gas Microgrid (2006); Spainâs Labein Microgrid (2005); USAâs Sandia National Laboratories (2005) and Palmdaleâs Clearwell Pumping Station (2006); and Germanyâs Manheim Microgrid (2006).
Since 2006, the microgrid has been successively incorporated into Chinaâs 863 Program (State High-Tech Development Plan) and 973 Program (National Basic Research Program). In 2006, Tsinghua University began studies on the microgrid and established a laboratory microgrid encompassing DG, ES, and loads utilizing the facilities in the National Key Laboratory on Power System and Generating Equipment Safety Control and Simulation under the Department of Electrical Engineering.
In 2008, Tianjin University and Hefei University of Technology conducted tests and studies on the microgrid. Tianjin University focused on scientific dispatch of various energy resources in the hope of improving energy efficiency, meeting various demands, and improving reliability, while Hefei University of Technology placed the focus on operation control and energy management.
In 2010, the State Grid Corporation of China (SGCC) built a demonstration project in Zhengzhou for study on operation control of a microgrid combining distributed PV (photovoltaic) generation and energy storage and engineering application and another in Xiâan for study on control technologies for microgrid combining distributed generation/energy storage.
In 2010, the China Southern Power Grid Company built a distributed energy supply â combined cooling and power (CCP) demonstration project in Foshan as a subject under Chinaâs 863 Program.
1.2. Current situation of microgrid outside China and analysis
The worldâs power sector has been facing great challenges like increasing loads, environmental issues, low energy efficiency, and usersâ higher requirements on power quality. Microgrids can utilize and control DG in an effective, flexible, and smart manner, and hence, can best address these problems. Many countries are now carrying out studies on the microgrid and their own concepts and goals of a microgrid. As a new technology, the microgrid is showing distinct features in different countries.
1.2.1. USA
The United States is where the concept of âmicrogridâ originated, and its definition is the most authoritative among all others. The architecture proposed by CERTS consists of power electronic technologies-based micro sources with a capacity of 500 kW or below and loads, and integrates power electronic technologies-based control schemes. Power electronic technologies are indispensable to smart and flexible control and the basis for the âplug and playâ and âpeer to peerâ control and design concepts. CERTSâs preliminary study results have been verified with the laboratory microgrid. The Department of Energy (DOE) took microgrid engineering seriously. In 2003, then US President Bush set the goal of grid modernization, that is, to widely integrate IT technologies and communication technologies into power systems to achieve grid smartness. In the later published âGrid 2030,â the DOE developed power system study and development plans for the coming decades, in which the microgrid is an important part. On the microgrid meeting convened in 2006, the DOE gave detailed accounts of its microgrid development plans. In view of grid modernization, improving reliability for critical loads, meeting various customized quality demands, minimizing the cost, and realizing smartness will be the focus of the United Statesâ future microgrid.
Figure 1.1 shows the microgrid model proposed by CERTS. This model shows that power electronics interfaces are provided for all micro sources, including PV, wind, small rotary machines, and various types of ESs. The core equipment is a smart static switch that controls the connection to and disconnection from the main grid. For each type of micro source, digital, smart relay protections are used to isolate the protected area from faults, and protection equipment is interconnected via special digital communication links.

Figure 1.1 Microgrid model proposed by CERTS.
1.2.2. Japan
Given the increasing energy shortage and load, Japan studied the microgrid concept with the aim of diversifying energy mix, reducing pollution, and meeting customized demands. In Japan, independent power systems based on traditional sources are also considered as a microgrid, which is a huge extension to the CERTSâs definition. On this basis, Japan has implemented multiple microgrid projects. In addition, Japanese scholars put forward the concept of Flexible Reliability and Intelligent Electrical Energy Delivery System (FRIENDS), that is, to add flexible AC transmission systems (FACTS) to the distribution network to make full use of their advantages in quick and flexible control, optimize the energy mix of the distribution network, and meet varying power quality demands. So far, FRIENDS has become an important form of deployment of microgrids in Japan, and some researchers are considering including the system in combined heat and power systems for better environmental friendliness and higher energy efficiency. Japan has been committed to using new energy for many years. It set up the New Energy & Industrial Technology Development Organization (NEDO) to coordinate studies and use of new energy among universities, companies, and national key laboratories.
1.2.3. European Union
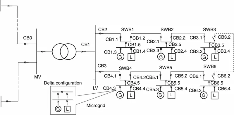
Considering market demands, power supply security, and environmental protection, the European Union (EU) proposed the âSmart Power Networksâ program in 2005, and released the strategies in 2006. It called for efficient and close synergy of centralized generation and DG by making full use of distributed energy resource (DER), smart technologies, and advanced power electronic technologies, and called upon all sectors to actively participate in the electricity market and work together to promote the development of grids. Microgrids will be a major part of the European electricity networks thanks to its smartness and diversified energy mix. Currently, theories on operation, control, protection, security, and communications have been established and verified with the laboratory microgrid. The future focus will be more advanced control strategies, standards, and demonstration projects to build the foundation for large-scale integration of DG and transition from the traditional grid to the smart grid. Figure 1.2 shows the microgrid model proposed by the EU with the efforts of ABB, Fraunhofer IWES, and SMA (Germany); ZIV (Spain); The University of Manchester (the UK); EMforce (Holland); and NTUA (Greece).

Figure 1.2 Microgrid model proposed by the EU.
CB, circuit breaker; SWB, switch board; G, micro source; L, load; MV, medium voltage; LV, low voltage.
CB, circuit breaker; SWB, switch board; G, micro source; L, load; MV, medium voltage; LV, low voltage.
The microgrid model shown in Figure 1.2 has a more complete structure, where not all micro sources have power electronics interfaces, all protection equipment is digital and smart, and interequipment communication is via controller area network (CAN). Centralized and decentralized monitoring is configured. In centralized monitoring, the central monitoring unit communicates with various switches, gives orders, and sets the switch action range. The monitoring mode is easy and cheap, but has the disadvantage that operation of all switches relies on the central monitoring unit, the failure of which will cause collapse of the entire protection system. A decentralized monitoring system is composed of multiple central monitoring units fulfilling different functions. When one unit fails, the others will automatically take over, thus avoiding system collapse. This mode offers high reliability but calls for more investment.
Apart from the United States, Japan, and the European Union, Canada, Australia, and some other countries have also carried out studies on the microgrid. From their grid strategies, studies on, and practices in microgrid technologies, it can be clearly seen that the development of the microgrid does not represent a revolution to traditional centralized, large-scale grids, but an improvement of the power sectorâs consciousness of services, energy utilization, and environmental protection. The microgrid is an important means for efficient, environment friendly, and quality power supply by large grids in the future, and hence, a beneficial enhancement to the large grid.
1.3. Analysis of current status in China
China started its studies on the microgrid in 2006, later than other countries. Since this year, the microgrid has been incorporated into the national 863 Program and 973 Program:
863 Program subject in 2006: Distributed power supply system technologies, including technologies and equipment relating to integration, control, and protection of distributed power systems, microgrid technologies.
863 Program subject in 2007: Microgrid technologies, including the following:
1. Structure of microgrids interconnecting multiple energy sources, ESs, and loads and networking technologies;
2. Integration, control, and protection technologies;
3. Control technologies for connection to and disconnection from the grid, and for operation in islanded mode and grid-connected mode;
4. Related ...
Table of contents
- Cover
- Title page
- Table of Contents
- Copyright
- Foreword
- Preface
- Chapter 1: Overview of microgrid
- Chapter 2: Composition and classification of the microgrid
- Chapter 3: Microgrid and distributed generation
- Chapter 4: Control and operation of the microgrid
- Chapter 5: Protection of the microgrid
- Chapter 6: Monitoring and energy management of the microgrid
- Chapter 7: Communication of the microgrid
- Chapter 8: Earthing of a microgrid
- Chapter 9: Harmonic control of the microgrid
- Chapter 10: Related standards and specifications
- Chapter 11: A practical case
- Appendix: List of abbreviations
- References
- Index
Frequently asked questions
Yes, you can cancel anytime from the Subscription tab in your account settings on the Perlego website. Your subscription will stay active until the end of your current billing period. Learn how to cancel your subscription
No, books cannot be downloaded as external files, such as PDFs, for use outside of Perlego. However, you can download books within the Perlego app for offline reading on mobile or tablet. Learn how to download books offline
Perlego offers two plans: Essential and Complete
- Essential is ideal for learners and professionals who enjoy exploring a wide range of subjects. Access the Essential Library with 800,000+ trusted titles and best-sellers across business, personal growth, and the humanities. Includes unlimited reading time and Standard Read Aloud voice.
- Complete: Perfect for advanced learners and researchers needing full, unrestricted access. Unlock 1.4M+ books across hundreds of subjects, including academic and specialized titles. The Complete Plan also includes advanced features like Premium Read Aloud and Research Assistant.
We are an online textbook subscription service, where you can get access to an entire online library for less than the price of a single book per month. With over 1 million books across 990+ topics, weâve got you covered! Learn about our mission
Look out for the read-aloud symbol on your next book to see if you can listen to it. The read-aloud tool reads text aloud for you, highlighting the text as it is being read. You can pause it, speed it up and slow it down. Learn more about Read Aloud
Yes! You can use the Perlego app on both iOS and Android devices to read anytime, anywhere â even offline. Perfect for commutes or when youâre on the go.
Please note we cannot support devices running on iOS 13 and Android 7 or earlier. Learn more about using the app
Please note we cannot support devices running on iOS 13 and Android 7 or earlier. Learn more about using the app
Yes, you can access Microgrid Technology and Engineering Application by Fusheng Li,Ruisheng Li,Fengquan Zhou in PDF and/or ePUB format, as well as other popular books in Technology & Engineering & Electrical Engineering & Telecommunications. We have over one million books available in our catalogue for you to explore.