Matlab SimPowerSystems is a modern design tool that allows scientists and engineers to rapidly and easily build models that simulate power systems. Not only can you draw the circuit topology rapidly, but your analysis of the circuit can include interactions with mechanical, thermal, control, and other disciplines. The paper covers some case studies that provide detailed, realistic examples of how to use SimPowerSystems in power system analysis. The following types of studies are covered on the paper: 1. Thyristor-Based Static Var Compensator: Study the steady-state and dynamic performance of a static var compensator (SVC) on a transmission system.2. Transient Stability of a Power System with SVC and PSS: Study of the application of static var compensator (SVC) and power system stabilizers (PSS) to improve transient stability and power oscillation damping of the system. 3. GTO-Based STATCOM: Study the steady-state and dynamic performance of a static synchronous compensator (STATCOM) on a transmission system. 4. Control of load flow using UPFC: Study the steady-state and dynamic performance of a unified power flow controller (UPFC).5. Variable-frequency Induction Motor Drive: Study of a PWM inverter is used as a variable-voltage, variable-frequency source to drive an induction motor in variable-speed operation.6. Chopper-Fed DC Motor Drive: Study of a DC motor drive with armature voltage controlled by a GTO thyristor chopper.7. VSC-Based HVDC Link: Modeling of a forced-commutated voltage-sourced converter high-voltage direct current (VSC-HVDC) transmission link.

eBook - ePub
Simulation of Some Power Electronics Case Studies in Matlab Simpowersystem Blockset
- 27 pages
- English
- ePUB (mobile friendly)
- Available on iOS & Android
eBook - ePub
Simulation of Some Power Electronics Case Studies in Matlab Simpowersystem Blockset
About this book
Trusted by 375,005 students
Access to over 1.5 million titles for a fair monthly price.
Study more efficiently using our study tools.
Information
Introduction
Electrical power systems are combinations of electrical circuits and electromechanical devices like motors and generators devices and sophisticated control system concepts that tax traditional analysis tools and techniques. Further complicating the analyst's role is the fact that the system is often so nonlinear that the only way to understand it is through simulation. Land-based power generation from hydroelectric, steam, or other devices is not the only use of power systems. A common attribute of these systems is their use of power electronics and control systems to achieve their performance objectives. Matlab SimPowerSystems[1] is a modern design tool that allows scientists and engineers to rapidly and easily build models that simulate power systems. It uses the Simulink environment, allowing you to build a model using simple click and drag procedures. SimPowerSystems toolbox is an efficient tool for modeling and simulating power system with FACTS devices and power converters. SimPowerSystems also is an efficient tool for modeling the dynamics of power system including all types of machines and controllers, i.e. modeling synchronous machines with governor, exciter and AVR, power system stabilizer, asynchronous machines, High Voltage DC Links (HVDC), DC motors and various speed controllers for DC and AC drives using power electronics converters. Reference [3] is one of the best references in studying multimachine system dynamics and stability. Reference [4] includes analysis of the properties of semiconductor devices and their applications as controlled rectifiers, inverters, cycloconverters, choppers, HVDC and solid state control of DC and AC motor. Reference [2], [5] include an overview of the principles of work of most FACTS devices.
The paper covers some case studies that provide detailed, realistic examples of how to use SimPowerSystems in modeling power system dynamics in various types of application that use power electronics converters. The following case studies are simulated on the paper:
1- Thyristor-Based Static Var Compensator.
2. Transient Stability of a Power System with SVC and PSS.
3. GTO-Based STATCOM.
4. Control of load flow using UPFC.
5- Control of AC motor.
6- Control of DC motor.
7- VSC-Based HVDC Link.
1. THYRISTOR-BASED STATIC VAR COMPENSATOR
The SVC system shown in Fig.1, consists of a 735 kV/16 kV, 333 MVA coupling transformer, one 109 Mvar TCR bank and three 94 Mvar TSC banks (TSC1 TSC2 TSC3) connected on the secondary side of the transformer.

Fig. 1. SPS Model of the 300 Mvar on a 735 kV Power System
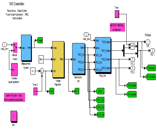
Switching the TSCs in and out allows a discrete variation of the secondary reactive power from zero to 282 Mvar capacitive (at 16 kV) by steps of 94 Mvar, whereas phase control of the TCR allows a continuous variation from zero to 109 Mvar inductive. Taking into account the leakage reactance of the transformer (0.15 pu), the SVC equivalent susceptance seen from the primary side can be varied continuously from -1.04 pu/100 MVA (fully inductive) to +3.23 pu/100 Mvar (fully capacitive). The SVC Controller monitors the primary voltage and sends appropriate pulses to the 24 thyristors (6 thyristors per three-phase bank) to obtain the susceptance required by the voltage regulator. The SVC control system is shown in Fig. 2, consists of the following four main modules:

Fig. 2. SVC Controller
1) Measurement system measures the positive-sequence primary voltage. This system uses discrete Fourier computation technique to evaluate fundamental voltage over a one-cycle running average window. The voltage measurement unit is driven by a phase-locked loop (PLL) to take into account variati...
Table of contents
- Simulation of Some Power Electronics Case Studies in Matlab Simpowersystem Blockset
- Abstract
- Introduction
- 1. THYRISTOR-BASED STATIC VAR COMPENSATOR
- 2. TRANSIENT STABILITY OF A POWER SYSTEM
- 3. GTO-BASED STATCOM
- 4. CONTROL OF LOAD FLOW USING UPFC
- 5. CONTROL OF AC MOTOR
- 6. CONTROL OF DC MOTOR
- 7. VSC-Based HVDC Link
- 8. CONCLUSION
- 9. REFERENCES
Frequently asked questions
Yes, you can cancel anytime from the Subscription tab in your account settings on the Perlego website. Your subscription will stay active until the end of your current billing period. Learn how to cancel your subscription
No, books cannot be downloaded as external files, such as PDFs, for use outside of Perlego. However, you can download books within the Perlego app for offline reading on mobile or tablet. Learn how to download books offline
Perlego offers two plans: Essential and Complete
- Essential is ideal for learners and professionals who enjoy exploring a wide range of subjects. Access the Essential Library with 800,000+ trusted titles and best-sellers across business, personal growth, and the humanities. Includes unlimited reading time and Standard Read Aloud voice.
- Complete: Perfect for advanced learners and researchers needing full, unrestricted access. Unlock 1.5M+ books across hundreds of subjects, including academic and specialized titles. The Complete Plan also includes advanced features like Premium Read Aloud and Research Assistant.
We are an online textbook subscription service, where you can get access to an entire online library for less than the price of a single book per month. With over 1.5 million books across 990+ topics, we’ve got you covered! Learn about our mission
Look out for the read-aloud symbol on your next book to see if you can listen to it. The read-aloud tool reads text aloud for you, highlighting the text as it is being read. You can pause it, speed it up and slow it down. Learn more about Read Aloud
Yes! You can use the Perlego app on both iOS and Android devices to read anytime, anywhere — even offline. Perfect for commutes or when you’re on the go.
Please note we cannot support devices running on iOS 13 and Android 7 or earlier. Learn more about using the app
Please note we cannot support devices running on iOS 13 and Android 7 or earlier. Learn more about using the app
Yes, you can access Simulation of Some Power Electronics Case Studies in Matlab Simpowersystem Blockset by Dr. Hidaia Mahmood Alassouli in PDF and/or ePUB format, as well as other popular books in Technology & Engineering & Electrical Engineering & Telecommunications. We have over 1.5 million books available in our catalogue for you to explore.