
- 248 pages
- English
- ePUB (mobile friendly)
- Available on iOS & Android
eBook - ePub
About this book
This book discusses the current status of the solid-state AC motor controls. It treats most technical phenomena in the empirical sense, with emphasis on input-output characteristics of solid-state controls, oriented at all times to their effect on the performance of the AC motor.
Tools to learn more effectively

Saving Books

Keyword Search

Annotating Text

Listen to it instead
Information
1 Basic Squirrel Cage Induction Motors
1.1 WHAT IS A BASIC SQUIRREL CAGE INDUCTION MOTOR?
For our purposes, the basic squirrel cage induction motor is as shown in Figures 1.1 and 1.2. These are three-phase, 60-Hz, fourpole, NEMA (National Electrical Manufacturers’ Association) B, totally enclosed, fan-cooled, energy-efficient machines, typical of today’s motors. Single-phase motors will not be included in this discussion.
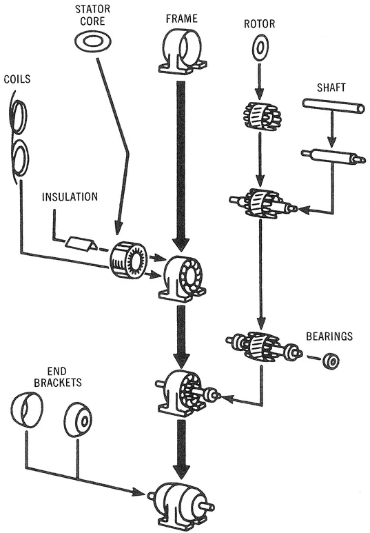
Figure 1.3 shows a typical motor in more detail. The stator, or stationary part, has insulated wire embedded in the inner slots. The size, placement, and connections of these wires determine the number of electrical poles for the particular design plus the motor nameplate voltage and amperes. The stator also includes the mounting feet and the conduit box for electrical connections.
The rotor, or rotating part, consists of the shaft and a cylindrical portion of laminated iron plates that fit inside the stator. The iron plates have slots in the outer surface in which aluminum bars are embedded. The aluminum bars are connected electrically by end rings. The end bells act as the mechanical link between the stator and rotor via the bearings and housings on each end.

Figure 1.1 Typical medium-sized ac squirrel cage induction motors, in the range 1 to 200 hp.

Figure 1.2 Typical large squirrel cage induction motors in the range 300 to 800 hp.

Figure 1.3 Mechanical and electrical makeup of a squirrel cage induction motor.
1.2 HOW DOES IT WORK?
The windings on the stator are placed in the slots and the ends brought out to the conduit box so that the application of ac threephase three-wire electric power will cause the rotor to attempt to rotate at a speed corresponding to the number of electrical poles in the stator and to the frequency of the electric power applied. The equation for the speed at which the motor attempts to rotate is:
where
- N = theoretical, or synchronous speed of the rotor, revolutions per minute
- f = frequency, hertz (cycles per second)
- P = number of poles in the motor, as determined by the stator winding configuration
The number of poles (P) is always an even number: 2, 4, 6, 8,... . With three-phase 60-Hz electric power, the theoretical or synchronous speed of the motor would be 3600 rpm for a two-pole design. 1800 rpm for four poles, and so on.
Note that the motor attempts to rotate at these theoretical speeds. It never quite gets there, because of “slip.” Slip is a reduction in rpm from the theoretical speed, caused by electrical losses in the rotor. Slip is usually designated on the motor nameplate in terms of the speed at which the motor is expected to operate when at full load and with rated voltage applied to the terminals in the conduit box. For example, if the nameplate data include the notation “60 Hz, 1750 rpm,” we can rightfully conclude that this is a four-pole machine, with an 1800-rpm theoretical top speed and 50 rpm of slip at full load.
Generally speaking, the slip will increase linearly from no load to full load, so that a slip of 50 rpm at full load will result in approximately 25 rpm of slip at half load. However, this is not nessarily true as we load the motor much beyond full load, as we will see shortly.
Referring back to equation (1) which determines motor theoretical speed, we can note that all quantities are fixed. The frequency is determined by the incoming power, and P, the number of poles, is fixed by the motor design. Thus the motor, once connected to the incoming power, is at all times trying to attain its theoretical synchronous speed, even if the result is self-destruction.
What happens, then when 60 Hz and rated voltage are applied with the motor at standstill, or when we attempt to operate it with a severe overload? With these questions in mind, let’s review the speed versus torque characteristics of several designs of squirrel cage induction motors.
1.3 SPEED-TORQUE CHARACTERISTICS
There...
Table of contents
- Cover
- Half Title
- Series Page
- Title Page
- Copyright Page
- Dedication
- Preface
- Contents
- 1. BASIC SQUIRREL CAGE INDUCTION MOTORS
- 2. ELECTROMECHANICAL CONTROLS FOR AC MOTORS
- 3. FUNDAMENTALS OF SOLID-STATE POWER DEVICES
- 4. SOLID-STATE MOTOR CONTROL USING PHASE CONTROLS
- 5. FREQUENCY CONTROLS FOR AC MOTORS
- 6. OVERVIEW OF OTHER TYPES OF FREQUENCY CONTROLLERS
- 7. INDUSTRY GUIDELINES AND STANDARDS APPLICABLE TO INVERTERS
- Glossary
- Index
Frequently asked questions
Yes, you can cancel anytime from the Subscription tab in your account settings on the Perlego website. Your subscription will stay active until the end of your current billing period. Learn how to cancel your subscription
No, books cannot be downloaded as external files, such as PDFs, for use outside of Perlego. However, you can download books within the Perlego app for offline reading on mobile or tablet. Learn how to download books offline
Perlego offers two plans: Essential and Complete
- Essential is ideal for learners and professionals who enjoy exploring a wide range of subjects. Access the Essential Library with 800,000+ trusted titles and best-sellers across business, personal growth, and the humanities. Includes unlimited reading time and Standard Read Aloud voice.
- Complete: Perfect for advanced learners and researchers needing full, unrestricted access. Unlock 1.4M+ books across hundreds of subjects, including academic and specialized titles. The Complete Plan also includes advanced features like Premium Read Aloud and Research Assistant.
We are an online textbook subscription service, where you can get access to an entire online library for less than the price of a single book per month. With over 1 million books across 990+ topics, we’ve got you covered! Learn about our mission
Look out for the read-aloud symbol on your next book to see if you can listen to it. The read-aloud tool reads text aloud for you, highlighting the text as it is being read. You can pause it, speed it up and slow it down. Learn more about Read Aloud
Yes! You can use the Perlego app on both iOS and Android devices to read anytime, anywhere — even offline. Perfect for commutes or when you’re on the go.
Please note we cannot support devices running on iOS 13 and Android 7 or earlier. Learn more about using the app
Please note we cannot support devices running on iOS 13 and Android 7 or earlier. Learn more about using the app
Yes, you can access Solid-State AC Motor Controls by Sylveste Campbell in PDF and/or ePUB format, as well as other popular books in Technology & Engineering & Electrical Engineering & Telecommunications. We have over one million books available in our catalogue for you to explore.