
Smart Buildings Digitalization
Case Studies on Data Centers and Automation
- 313 pages
- English
- ePUB (mobile friendly)
- Available on iOS & Android
Smart Buildings Digitalization
Case Studies on Data Centers and Automation
About this book
This book explains the concept of data centers, including data collection, public parking systems, smart metering, and sanitizer dispensers. Electric urban transport systems and effective electric distribution in smart cities are discussed as well. The extensive role of power electronics in smart building applications, such as electric vehicles, rooftop terracing, and renewable energy integration, is included. Case studies on automation in smart homes and commercial and official buildings are elaborated. This book describes the complete implication of smart buildings via industrial, commercial, and community platforms.
FEATURES
-
- Systematically defines energy-efficient buildings employing power consumption optimization techniques with the inclusion of renewable energy sources
-
- Covers data centers and cybersecurity with excellent data storage features for smart buildings
-
- Includes systematic and detailed strategies for building air-conditioning and lighting
-
- Details smart building security propulsion
This book is aimed at graduate students, researchers, and professionals in building systems engineering, architectural engineering, and electrical engineering.
Frequently asked questions
- Essential is ideal for learners and professionals who enjoy exploring a wide range of subjects. Access the Essential Library with 800,000+ trusted titles and best-sellers across business, personal growth, and the humanities. Includes unlimited reading time and Standard Read Aloud voice.
- Complete: Perfect for advanced learners and researchers needing full, unrestricted access. Unlock 1.4M+ books across hundreds of subjects, including academic and specialized titles. The Complete Plan also includes advanced features like Premium Read Aloud and Research Assistant.
Please note we cannot support devices running on iOS 13 and Android 7 or earlier. Learn more about using the app.
Information
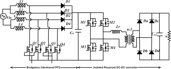
1 Nonlinear Controller for Electric Vehicles in Smart Buildings
Contents
- 1.1 Introduction
- 1.2 Converter Analysis and Dynamic Modeling
- 1.3 PFC Based on Conventional ACM Control
- 1.4 Differential Flatness-Based Controller for AC/DC Converter
- 1.5 Design Considerations
- 1.6 Controller Realization through Simulation
- 1.7 Conclusion
- References
1.1 Introduction

Table of contents
- Cover
- Half Title Page
- Title Page
- Copyright Page
- Table of Contents
- Preface
- Editors
- Contributors
- Chapter 1 Nonlinear Controller for Electric Vehicles in Smart Buildings
- Chapter 2 Guidance System for Smart Building Using Li-Fi
- Chapter 3 Smart Building Automation System
- Chapter 4 Semi-Autonomous Human Detection, Tracking, and Following Robot in a Smart Building
- Chapter 5 Current-Starved and Skewed Topologies of CNTFET-Based Ring Oscillators for Temperature Sensors
- Chapter 6 Efficient Data Storage with Tier IV Data Center in Smart Buildings
- Chapter 7 IoT-Based Data Collection Platform for Smart Buildings
- Chapter 8 Sensor Data Validation for IoT Applications
- Chapter 9 Energy Economic Appliances’ Scheduling for Smart Home Environment
- Chapter 10 IoT-Based Smart Metering
- Chapter 11 Smart Decentralized Control Approach for Energy Management in Smart Homes with EV Load
- Chapter 12 Design and Implementation of Prototype for Smart Home Using Internet of Things and Cloud
- Chapter 13 IoT Platform for Monitoring and Optimization of the Public Parking System in Firebase
- Chapter 14 IoT-Based Smart Health Monitoring System
- Chapter 15 Energy Management System for Smart Buildings: Mini Review
- Chapter 16 Augmented Lagrangian Model to Analyze the Synergies of Electric Urban Transport Systems and Energy Distribution in Smart Cities
- Chapter 17 Grid-Interconnected Photovoltaic Power System with LCL Filter Feasible for Rooftop Terracing
- Chapter 18 An Efficient ZCS-Based Boost Converter for Commercial Building Lighting Applications
- Chapter 19 Implementation of Smart Grids and Case Studies through ETAP in Commercial and Official Buildings
- Chapter 20 Data Logger-Aided Stand-Alone PV System for Rural Electrification
- Chapter 21 Smart Solar Modules for Smart Buildings
- Chapter 22 IoT-Based Smart Hand Sanitizer Dispenser (COVID-19)
- Index