
Digital Systems Design, Volume III
LatchâFlip-Flop Circuits and Characteristics of Digital Circuits
- 196 pages
- English
- ePUB (mobile friendly)
- Available on iOS & Android
Digital Systems Design, Volume III
LatchâFlip-Flop Circuits and Characteristics of Digital Circuits
About this book
Working as an engineer with advanced weapon systems for more than 25 years, it was crucial to understand the fundamentals of digital systems design development methods and combinational logic circuits. Whether as a technician or as an engineer, these fundamentals are the basics of engineering and are essential in interpreting logic gate functionality. The intent of this book is to provide much more information than most commercial engineering references currently offer.
Chapter 1, Latch and Flip Flop Circuits, discusses fundamental operations of NAND gate latch, NOR gate latch, gated S-C latch, gated D latch, four-bit bistable latch, D-type flip flop, JK-type flip flop, and master slave JK-type flip flop circuits. Chapter 2, Characteristics of Digital Circuits, provides a brief introduction to circuit characteristics. This chapter discusses RC time constants, electrical and dynamic behavior of circuits, timing considerations, and data storage and transfer devices. The chapter review and answer sections contain an extensive number of questions that afford comprehensive insights into obtaining the answers. This book will be an extremely valuable asset for technical and engineering students studying digital system design.
Frequently asked questions
- Essential is ideal for learners and professionals who enjoy exploring a wide range of subjects. Access the Essential Library with 800,000+ trusted titles and best-sellers across business, personal growth, and the humanities. Includes unlimited reading time and Standard Read Aloud voice.
- Complete: Perfect for advanced learners and researchers needing full, unrestricted access. Unlock 1.4M+ books across hundreds of subjects, including academic and specialized titles. The Complete Plan also includes advanced features like Premium Read Aloud and Research Assistant.
Please note we cannot support devices running on iOS 13 and Android 7 or earlier. Learn more about using the app.
Information
CHAPTER 1
LATCH AND FLIP FLOP CIRCUITS
1.1. INTRODUCTION
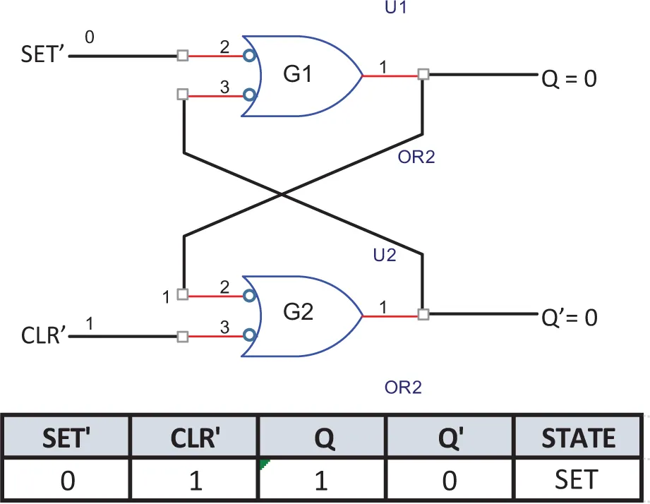
1.2. ACTIVE LOW LATCHâNAND GATE LATCH





Table of contents
- Cover
- Half Title
- Title Page
- Copyright Page
- Contents
- List of Figures
- List of Tables
- Acknowledgments
- Chapter 1 Latch and Flip Flop Circuits
- Chapter 2 Characteristics of Digital Circuits
- Bibliography
- About the Author
- Index